空冷EO-Qスイッチレーザー: Lapa

商品コード:
L263
販売価格(税込):
0
ポイント: 0 Pt
メーカー:
Beamtech
関連カテゴリ:
レーザー > パルスレーザー
レーザー > DPSSレーザー
Lapaシリーズは新世代の空冷DPSSレーザーです。
エネルギー出力 (@1064nm) は100mJ、繰返しは1~20Hz、パルス幅は10ns以下です。
532nm、355nm、266nm発振も可能です。
長期信頼性と環境適応性に優れており、LIBS、LiDAR、パネルレーザーリペアなどの用途に最適です。
均一ビームによる励起、伝導冷却、DC電源など様々な革新的な技術により、24時間365日稼働が可能なポータブルナノ秒レーザー光源です。
科学、産業、軍事用途等に新たなソリューションを提供します。

【特徴】
・小型でシンプルなシステム設計
・LD励起、ライフタイム10億ショット
・冷却は空冷でメンテナンス不要
・EO-Qスイッチにより低ジッターを実現
・波長: 532/355/266nm
・24時間365日稼働可能
・エネルギー@1064nm: 最大80mJ@20Hz、100mJ@10Hz

【アプリケーション】
・LIBS (レーザー誘起ブレークダウン分光法)
・LIDAR
・LIF (レーザー誘起蛍光)
・レーザークリーニング
・分光分析
・LCDリペア
・光損傷試験

pdfファイルはこちら


ご希望の内容を問い合わせ内容欄にご記入下さい。
Questions or comments on this product.

Lapa仕様

モデル※1
Lapa-80
Lapa-100
繰返し (Hz)
1~20
1~10
エネルギー (mJ)        1064nm
80
100
                 532nm
50
                 355nm
25
                 266nm
10
エネルギー安定性※2 (RMS・%)  1064nm
≤ 0.5
                 532nm
≤ 1
                 355nm
≤ 2
                 266nm
≤ 3
パルス幅※3 (ns)
≤ 8
拡がり角※4 (mrad)
≤ 1
ポイント安定性 (μrad)
≤ 10
ビーム径※5 (mm)
4.5
偏光 (1064nm)
直線 (水平)
ジッター※6 (RMS・ns)
≤ 0.5
冷却
空冷
消費電力 (W)
220
電源
100~240V、50/60Hz、10A もしくは DC 24V、9.2A
※1. 記載がない限りすべての仕様は1064nm発振時の仕様です。予告なく変更することがあります。
※2. 平均偏差 (パルス99のショット間)
  データは室温15〜30℃で測定
  532nm/266nm出力の場合 : SHG結晶はKTP、エネルギー安定性 : ≤ 1% @ 532nm
  355nm出力の場合 : SHG結晶はLBO、エネルギー安定性 : ≤ 1.5% @ 532nm
※3. 半値全幅 (FWHM)
※4. 全角 (ピークの 1/e2 時)
※5. レーザー出射口で測定
※6. 外部トリガー時

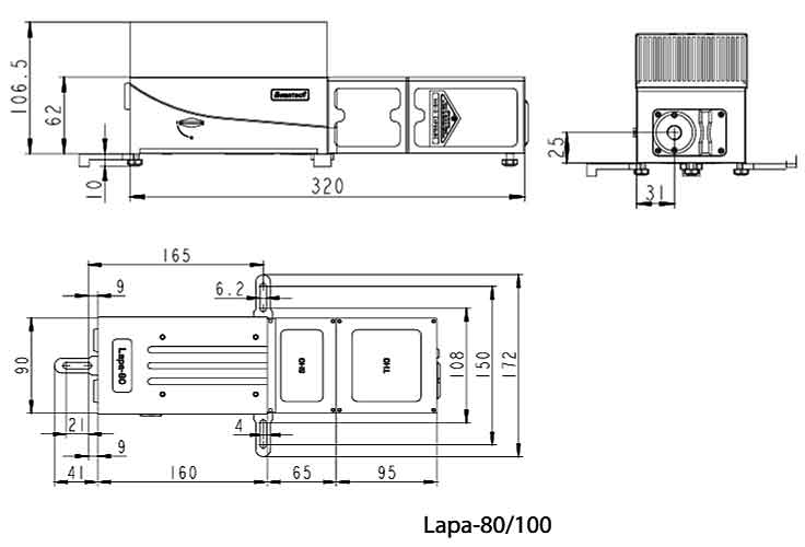
寸法

空冷EO-Qスイッチレーザー: Lapa

空冷EO-Qスイッチレーザー: Lapa

空冷EO-Qスイッチレーザー: Lapa

商品レビュー

この商品に対するご感想をぜひお寄せください。